Metriske serier Flens miniatyrkulelager er en type peiling som er mye brukt i presisjonsmaskiner, spesielt egnet for utstyr med begrenset plass og høy ytelse. Slike lagre er vanligvis produsert av materialer av høy kvalitet for å sikre deres holdbarhet og stabilitet. Flensdesign gir ekstra støtte, letter installasjonen og kan også effektivt redusere forskyvningen av lageret under drift. Sentrale trekk ved denne minikulbæringen inkluderer en lav friksjonskoeffisient, høy rotasjonshastighetsevne og utmerket belastningskapasitet. De er egnet for en rekke applikasjoner som elektroverktøy, roboter, skrivere og små motorer. Når det gjelder design, er metriske serier flens miniatyrkulelager også oppmerksom på detaljer og er vanligvis tilgjengelige i forskjellige størrelser og konfigurasjoner for å imøtekomme behovene til forskjellige utstyr. Lagre er vanligvis forhåndsblokket eller forseglet.
Produktparametere
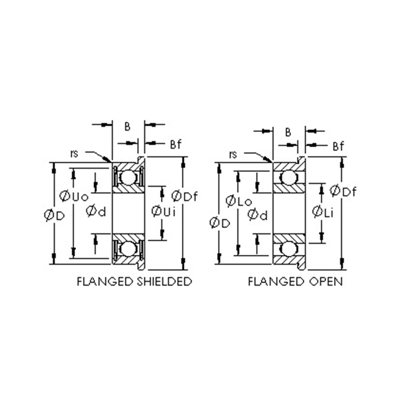
| Produktnummer | Bærende type | Dimensjoner (mm) | Grunnleggende belastningsvurdering (N) | |||||
| d | D | B | Df | Bf | Dynamisk belastningsvurdering (CR) | Statisk belastningsvurdering (Cor) | ||
| F691 | Åpne flensede kulelager | 1 | 4 | 1.6 | 5 | 0.5 | 120 | 30 |
| MF41X | Åpne flensede kulelager | 1.2 | 4 | 1.8 | 4.8 | 0.4 | 95 | 26 |
| F681X | Åpne flensede kulelager | 1.5 | 4 | 1.2 | 5 | 0.4 | 95 | 26 |
| F681xzz | Forseglet flensede kulelager | 1.5 | 4 | 2 | 5 | 0.6 | 95 | 26 |
| F691X | Åpne flensede kulelager | 1.5 | 5 | 2 | 6.5 | 0.6 | 144 | 40 |
| F691xzz | Forseglet flensede kulelager | 1.5 | 5 | 2.6 | 6.5 | 0.8 | 144 | 40 |
| F601X | Åpne flensede kulelager | 1.5 | 6 | 2.5 | 7.5 | 0.6 | 281 | 79 |
| F601xzz | Forseglet flensede kulelager | 1.5 | 6 | 3 | 7.5 | 0.8 | 281 | 79 |
| F682 | Åpne flensede kulelager | 2 | 5 | 1.5 | 6.1 | 0.5 | 144 | 40 |
| F682 2RS | Forseglet flensede kulelager | 2 | 5 | 1.5 | 6.1 | 0.5 | 144 | 40 |
| F682zz | Forseglet flensede kulelager | 2 | 5 | 2.3 | 6.1 | 0.6 | 144 | 40 |
| MF52 | Åpne flensede kulelager | 2 | 5 | 2 | 6.2 | 0.6 | 144 | 40 |
| MF52 2RS | Forseglet flensede kulelager | 2 | 5 | 2 | 6.2 | 0.6 | 144 | 40 |
| Mf52zz | Forseglet flensede kulelager | 2 | 5 | 2.5 | 6.2 | 0.6 | 144 | 40 |
| F692 | Åpne flensede kulelager | 2 | 6 | 2.3 | 7.5 | 0.6 | 281 | 79 |
| F692 2RS | Forseglet flensede kulelager | 2 | 6 | 3 | 7.5 | 0.8 | 281 | 79 |
| F692zz | Forseglet flensede kulelager | 2 | 6 | 3 | 7.5 | 0.8 | 281 | 79 |
| MF62 | Åpne flensede kulelager | 2 | 6 | 2.5 | 7.2 | 0.6 | 281 | 79 |
| MF62 2RS | Forseglet flensede kulelager | 2 | 6 | 2.5 | 7.2 | 0.6 | 281 | 79 |
| Mf62zz | Forseglet flensede kulelager | 2 | 6 | 2.5 | 7.2 | 0.6 | 281 | 79 |
| MF72 | Åpne flensede kulelager | 2 | 7 | 2.5 | 8.2 | 0.6 | 328 | 103 |
| MF72 2RS | Forseglet flensede kulelager | 2 | 7 | 3 | 8.2 | 0.6 | 328 | 103 |
| Mf72zz | Forseglet flensede kulelager | 2 | 7 | 3 | 8.2 | 0.6 | 328 | 103 |
| F602 | Åpne flensede kulelager | 2 | 7 | 2.8 | 8.5 | 0.7 | 328 | 103 |
| F602 2RS | Forseglet flensede kulelager | 2 | 7 | 2.8 | 8.5 | 0.7 | 328 | 103 |
| F602zz | Forseglet flensede kulelager | 2 | 7 | 3.5 | 8.5 | 0.9 | 328 | 103 |
| F682X | Åpne flensede kulelager | 2.5 | 6 | 1.8 | 7.1 | 0.5 | 178 | 59 |
| F682X 2RS | Forseglet flensede kulelager | 2.5 | 6 | 1.8 | 7.1 | 0.5 | 178 | 59 |
| F682xzz | Forseglet flensede kulelager | 2.5 | 6 | 2.6 | 7.1 | 0.8 | 178 | 59 |
| F692X | Åpne flensede kulelager | 2.5 | 7 | 2.5 | 8.5 | 0.7 | 328 | 103 |
| F692X 2RS | Forseglet flensede kulelager | 2.5 | 7 | 3.5 | 8.5 | 0.9 | 328 | 103 |
| F692xzz | Forseglet flensede kulelager | 2.5 | 7 | 3.5 | 8.5 | 0.9 | 328 | 103 |
| MF82X | Åpne flensede kulelager | 2.5 | 8 | 2.5 | 9.2 | 0.6 | 180 | 67 |
| MF82X 2RS | Forseglet flensede kulelager | 2.5 | 8 | 2.5 | 9.2 | 0.6 | 180 | 67 |
| Mf82xzz | Forseglet flensede kulelager | 2.5 | 8 | 2.5 | 9.2 | 0.6 | 180 | 67 |
| F602X | Åpne flensede kulelager | 2.5 | 8 | 2.8 | 9.5 | 0.7 | 469 | 142 |
| F602X 2RS | Forseglet flensede kulelager | 2.5 | 8 | 4 | 9.5 | 0.9 | 469 | 142 |
| F602xzz | Forseglet flensede kulelager | 2.5 | 8 | 4 | 9.5 | 0.9 | 469 | 142 |
| MF63 | Åpne flensede kulelager | 3 | 6 | 2 | 7.2 | 0.6 | 178 | 59 |
| MF63 2RS | Forseglet flensede kulelager | 3 | 6 | 2 | 7.2 | 0.6 | 178 | 59 |
| Mf63zz | Forseglet flensede kulelager | 3 | 6 | 2.5 | 7.2 | 0.6 | 178 | 59 |
| F683 | Åpne flensede kulelager | 3 | 7 | 2 | 8.1 | 0.5 | 264 | 90 |
| F683 2RS | Forseglet flensede kulelager | 3 | 7 | 3 | 8.1 | 0.8 | 264 | 90 |
| F683zz | Forseglet flensede kulelager | 3 | 7 | 3 | 8.1 | 0.8 | 264 | 90 |
| MF83 | Åpne flensede kulelager | 3 | 8 | 2.5 | 9.2 | 0.6 | 336 | 113 |
| MF83 2RS | Forseglet flensede kulelager | 3 | 8 | 2.5 | 9.2 | 0.6 | 336 | 113 |
| Mf83zz | Forseglet flensede kulelager | 3 | 8 | 3 | 9.2 | 0.6 | 336 | 113 |
| F693 | Åpne flensede kulelager | 3 | 8 | 3 | 9.5 | 0.7 | 474 | 114 |
| F693 2RS | Forseglet flensede kulelager | 3 | 8 | 4 | 9.5 | 0.9 | 474 | 144 |
| F693zz | Forseglet flensede kulelager | 3 | 8 | 4 | 9.5 | 0.9 | 474 | 144 |
| MF93 | Åpne flensede kulelager | 3 | 9 | 2.5 | 10.2 | 0.6 | 485 | 151 |
| MF93 2R | Forseglet flensede kulelager | 3 | 9 | 2.5 | 10.2 | 0.6 | 485 | 151 |
| Mf93zz | Forseglet flensede kulelager | 3 | 9 | 4 | 10.6 | 0.8 | 485 | 151 |
| F603 | Åpne flensede kulelager | 3 | 9 | 3 | 10.5 | 0.7 | 230 | 151 |
| F603 2RS | Forseglet flensede kulelager | 3 | 9 | 5 | 10.5 | 0.7 | 230 | 151 |
| F603zz | Forseglet flensede kulelager | 3 | 9 | 5 | 10.5 | 1 | 230 | 151 |
| F623 | Åpne flensede kulelager | 3 | 10 | 4 | 11.5 | 1 | 536 | 175 |
| F623 2RS | Forseglet flensede kulelager | 3 | 10 | 4 | 11.5 | 1 | 536 | 175 |
| F623zz | Forseglet flensede kulelager | 3 | 10 | 4 | 11.5 | 1 | 536 | 175 |
| MF74 | Åpne flensede kulelager | 4 | 7 | 2 | 8.2 | 0.6 | 264 | 92 |
| MF74 2RS | Forseglet flensede kulelager | 4 | 7 | 2 | 8.2 | 0.6 | 264 | 92 |
| Mf74zz | Forseglet flensede kulelager | 4 | 7 | 2.5 | 8.2 | 0.6 | 217 | 86 |
| MF84 | Åpne flensede kulelager | 4 | 8 | 2 | 9.2 | 0.6 | 336 | 113 |
| MF84 2RS | Forseglet flensede kulelager | 4 | 8 | 2 | 9.2 | 0.6 | 336 | 113 |
| MF84ZZ | Forseglet flensede kulelager | 4 | 8 | 3 | 9.2 | 0.6 | 336 | 113 |
| F684 | Åpne flensede kulelager | 4 | 9 | 2.5 | 10.3 | 0.6 | 545 | 182 |
| F684 2RS | Forseglet flensede kulelager | 4 | 9 | 4 | 10.3 | 1 | 545 | 182 |
| F684zz | Forseglet flensede kulelager | 4 | 9 | 4 | 10.3 | 1 | 545 | 182 |
| MF104 | Åpne flensede kulelager | 4 | 10 | 3 | 11.2 | 0.6 | 604 | 218 |
| MF104 2RS | Forseglet flensede kulelager | 4 | 10 | 4 | 11.6 | 0.8 | 604 | 218 |
| MF104ZZ | Forseglet flensede kulelager | 4 | 10 | 4 | 11.6 | 0.8 | 604 | 218 |
| F694 | Åpne flensede kulelager | 4 | 11 | 4 | 12.5 | 1 | 814 | 280 |
| F694 2RS | Forseglet flensede kulelager | 4 | 11 | 4 | 12.5 | 1 | 814 | 280 |
| F694zz | Forseglet flensede kulelager | 4 | 11 | 4 | 12.5 | 1 | 814 | 280 |
| F604 | Åpne flensede kulelager | 4 | 12 | 4 | 13.5 | 1 | 814 | 280 |
| F604 2RS | Forseglet flensede kulelager | 4 | 12 | 5 | 13.5 | 1 | 814 | 280 |
| F604zz | Forseglet flensede kulelager | 4 | 12 | 5 | 13.5 | 1 | 814 | 280 |
| F624 | Åpne flensede kulelager | 4 | 13 | 5 | 15 | 1 | 1106 | 390 |
| F624 2RS | Forseglet flensede kulelager | 4 | 13 | 5 | 15 | 1 | 1106 | 390 |
| F624zz | Forseglet flensede kulelager | 4 | 13 | 5 | 15 | 1 | 1106 | 390 |
| F634 | Åpne flensede kulelager | 4 | 16 | 5 | 18 | 1 | 1139 | 418 |
| F634 2RS | Forseglet flensede kulelager | 4 | 16 | 5 | 18 | 1 | 1139 | 418 |
| F634zz | Forseglet flensede kulelager | 4 | 16 | 5 | 18 | 1 | 1139 | 418 |
| MF85 | Åpne flensede kulelager | 5 | 8 | 2 | 9.2 | 0.6 | 262 | 96 |
| MF85 2RS | Forseglet flensede kulelager | 5 | 8 | 2.5 | 9.2 | 0.6 | 185 | 72 |
| Mf85zz | Forseglet flensede kulelager | 5 | 8 | 2.5 | 9.2 | 0.6 | 185 | 72 |
| MF95 | Åpne flensede kulelager | 5 | 9 | 2.5 | 10.2 | 0.6 | 366 | 135 |
| MF95 2RS | Forseglet flensede kulelager | 5 | 9 | 3 | 10.2 | 0.6 | 366 | 135 |
| Mf95zz | Forseglet flensede kulelager | 5 | 9 | 3 | 10.2 | 0.6 | 366 | 135 |
| MF105 | Åpne flensede kulelager | 5 | 10 | 3 | 11.2 | 0.6 | 366 | 135 |
| MF105 2RS | Forseglet flensede kulelager | 5 | 10 | 4 | 11.6 | 0.8 | 366 | 135 |
| MF105ZZ | Forseglet flensede kulelager | 5 | 10 | 4 | 11.6 | 0.8 | 366 | 135 |
| MF115 2RS | Forseglet flensede kulelager | 5 | 11 | 4 | 12.6 | 0.8 | 609 | 226 |
| MF115ZZ | Skjermet flensede kulelager | 5 | 11 | 4 | 12.6 | 0.8 | 609 | 226 |
| MF115 | Åpne flensede kulelager | 5 | 11 | 4 | 12.6 | 0.8 | 609 | 226 |
| F685 | Åpne flensede kulelager | 5 | 11 | 3 | 12.5 | 0.8 | 609 | 226 |
| F685 2RS | Forseglet flensede kulelager | 5 | 11 | 5 | 12.5 | 1 | 609 | 226 |
| F685zz | Forseglet flensede kulelager | 5 | 11 | 5 | 12.5 | 1 | 609 | 226 |
| F695 | Åpne flensede kulelager | 5 | 13 | 4 | 15 | 1 | 916 | 346 |
| F695 2RS | Forseglet flensede kulelager | 5 | 13 | 4 | 15 | 1 | 916 | 346 |
| F695zz | Forseglet flensede kulelager | 5 | 13 | 4 | 15 | 1 | 916 | 346 |
| F605 | Åpne flensede kulelager | 5 | 14 | 5 | 16 | 1 | 1130 | 406 |
| F605 2RS | Forseglet flensede kulelager | 5 | 14 | 5 | 16 | 1 | 1130 | 406 |
| F605zz | Forseglet flensede kulelager | 5 | 14 | 5 | 16 | 1 | 1130 | 406 |
| F625 | Åpne flensede kulelager | 5 | 16 | 5 | 18 | 1 | 1470 | 540 |
| F625 2RS | Forseglet flensede kulelager | 5 | 16 | 5 | 18 | 1 | 1470 | 540 |
| F625zz | Forseglet flensede kulelager | 5 | 16 | 5 | 18 | 1 | 1470 | 540 |
| F635 | Åpne flensede kulelager | 5 | 19 | 6 | 22 | 1.5 | 1986 | 717 |
| F635 2RS | Forseglet flensede kulelager | 5 | 19 | 6 | 22 | 1.5 | 1986 | 717 |
| F635zz | Forseglet flensede kulelager | 5 | 19 | 6 | 22 | 1.5 | 1986 | 717 |
| MF106 | Åpne flensede kulelager | 6 | 10 | 2.5 | 11.2 | 0.6 | 422 | 174 |
| MF106 2RS | Forseglet flensede kulelager | 6 | 10 | 3 | 11.2 | 0.6 | 422 | 174 |
| MF106ZZ | Forseglet flensede kulelager | 6 | 10 | 3 | 11.2 | 0.6 | 422 | 174 |
| MF126 | Åpne flensede kulelager | 6 | 12 | 3 | 13.2 | 0.6 | 609 | 236 |
| MF126 2RS | Forseglet flensede kulelager | 6 | 12 | 4 | 13.6 | 0.8 | 609 | 236 |
| MF126ZZ | Forseglet flensede kulelager | 6 | 12 | 4 | 13.6 | 0.8 | 609 | 236 |
| F686 | Åpne flensede kulelager | 6 | 13 | 3.5 | 15 | 1 | 920 | 354 |
| F686 2RS | Forseglet flensede kulelager | 6 | 13 | 5 | 15 | 1.1 | 920 | 354 |
| F686zz | Forseglet flensede kulelager | 6 | 13 | 5 | 15 | 1.1 | 920 | 354 |
| F696 | Åpne flensede kulelager | 6 | 15 | 5 | 17 | 1.2 | 1139 | 418 |
| F696 2RS | Forseglet flensede kulelager | 6 | 15 | 5 | 17 | 1.2 | 1139 | 418 |
| F696zz | Forseglet flensede kulelager | 6 | 15 | 5 | 17 | 1.2 | 1139 | 418 |
| F606 | Åpne flensede kulelager | 6 | 17 | 6 | 19 | 1.2 | 1924 | 677 |
| F606 2RS | Forseglet flensede kulelager | 6 | 17 | 6 | 19 | 1.2 | 1924 | 677 |
| F606zz | Forseglet flensede kulelager | 6 | 17 | 6 | 19 | 1.2 | 1924 | 677 |
| F626 | Åpne flensede kulelager | 6 | 19 | 6 | 22 | 1.5 | 1986 | 717 |
| F626 2RS | Forseglet flensede kulelager | 6 | 19 | 6 | 22 | 1.5 | 1986 | 717 |
| F626zz | Forseglet flensede kulelager | 6 | 19 | 6 | 22 | 1.5 | 1986 | 717 |
| MF117 | Åpne flensede kulelager | 7 | 11 | 2.5 | 12.2 | 0.6 | 387 | 162 |
| MF117 2RS | Forseglet flensede kulelager | 7 | 11 | 3 | 12.2 | 0.6 | 387 | 162 |
| MF117ZZ | Forseglet flensede kulelager | 7 | 11 | 3 | 12.2 | 0.6 | 387 | 162 |
| MF137 | Åpne flensede kulelager | 7 | 13 | 3 | 14.2 | 0.6 | 460 | 221 |
| MF137 2RS | Forseglet flensede kulelager | 7 | 13 | 4 | 14.6 | 0.8 | 460 | 221 |
| MF137ZZ | Forseglet flensede kulelager | 7 | 13 | 4 | 14.6 | 0.8 | 460 | 221 |
| F687 | Åpne flensede kulelager | 7 | 14 | 3.5 | 16 | 1 | 997 | 410 |
| F687 2RS | Forseglet flensede kulelager | 7 | 14 | 5 | 16 | 1.1 | 997 | 410 |
| F687zz | Forseglet flensede kulelager | 7 | 14 | 5 | 16 | 1.1 | 997 | 410 |
| F697 | Åpne flensede kulelager | 7 | 17 | 5 | 19 | 1.2 | 1364 | 575 |
| F697 2RS | Forseglet flensede kulelager | 7 | 17 | 5 | 19 | 1.2 | 1364 | 575 |
| F697zz | Forseglet flensede kulelager | 7 | 17 | 5 | 19 | 1.2 | 1364 | 575 |
| F607 | Åpne flensede kulelager | 7 | 19 | 6 | 22 | 1.5 | 1986 | 717 |
| F607 2RS | Forseglet flensede kulelager | 7 | 19 | 6 | 22 | 1.5 | 1986 | 717 |
| F607zz | Forseglet flensede kulelager | 7 | 19 | 6 | 22 | 1.5 | 1986 | 717 |
| F627 | Åpne flensede kulelager | 7 | 22 | 7 | 25 | 1.5 | 2794 | 1103 |
| F627 2RS | Forseglet flensede kulelager | 7 | 22 | 7 | 25 | 1.5 | 2794 | 1103 |
| F627zz | Forseglet flensede kulelager | 7 | 22 | 7 | 25 | 1.5 | 2794 | 1103 |
| MF128 | Åpne flensede kulelager | 8 | 12 | 2.5 | 13.2 | 0.6 | 462 | 219 |
| MF128 2RS | Forseglet flensede kulelager | 8 | 12 | 3.5 | 13.6 | 0.8 | 462 | 219 |
| MF128ZZ | Forseglet flensede kulelager | 8 | 12 | 3.5 | 13.6 | 0.8 | 462 | 219 |
| MF148 | Åpne flensede kulelager | 8 | 14 | 3.5 | 15.6 | 0.8 | 695 | 309 |
| MF148 2RS | Forseglet flensede kulelager | 8 | 14 | 4 | 15.6 | 0.8 | 695 | 309 |
| MF148ZZ | Forseglet flensede kulelager | 8 | 14 | 4 | 15.6 | 0.8 | 695 | 309 |
| F688 | Åpne flensede kulelager | 8 | 16 | 4 | 18 | 1 | 1064 | 474 |
| F688 2RS | Forseglet flensede kulelager | 8 | 16 | 5 | 18 | 1.1 | 1064 | 474 |
| F688zz | Forseglet flensede kulelager | 8 | 16 | 5 | 18 | 1.1 | 1064 | 474 |
| F698 | Åpne flensede kulelager | 8 | 19 | 6 | 22 | 1.5 | 1902 | 734 |
| F698 2RS | Forseglet flensede kulelager | 8 | 19 | 6 | 22 | 1.5 | 1902 | 734 |
| F698zz | Forseglet flensede kulelager | 8 | 19 | 6 | 22 | 1.5 | 1902 | 734 |
| F608 | Åpne flensede kulelager | 8 | 22 | 7 | 25 | 1.5 | 2799 | 1103 |
| F608 2RS | Forseglet flensede kulelager | 8 | 22 | 7 | 25 | 1.5 | 2799 | 1103 |
| F608zz | Forseglet flensede kulelager | 8 | 22 | 7 | 25 | 1.5 | 2799 | 1103 |
| F679 | Åpne flensede kulelager | 9 | 14 | 3 | 15.5 | 0.8 | 781 | 374 |
| F679 2RS | Forseglet flensede kulelager | 9 | 14 | 4.5 | 15.5 | 0.8 | 781 | 374 |
| F679zz | Forseglet flensede kulelager | 9 | 14 | 4.5 | 15.5 | 0.8 | 781 | 374 |
| F689 | Åpne flensede kulelager | 9 | 17 | 4 | 19 | 1 | 1128 | 534 |
| F689 2RS | Forseglet flensede kulelager | 9 | 17 | 5 | 19 | 1.1 | 1128 | 534 |
| F689zz | Forseglet flensede kulelager | 9 | 17 | 5 | 19 | 1.1 | 1128 | 534 |
| F699 | Åpne flensede kulelager | 9 | 20 | 6 | 23 | 1.5 | 2097 | 865 |
| F699 2RS | Forseglet flensede kulelager | 9 | 20 | 6 | 23 | 1.5 | 2097 | 865 |
| F699zz | Forseglet flensede kulelager | 9 | 20 | 6 | 23 | 1.5 | 2097 | 865 |
| F609 | Åpne flensede kulelager | 9 | 24 | 7 | 27 | 1.5 | 2853 | 1155 |
| F609 2RS | Forseglet flensede kulelager | 9 | 24 | 7 | 27 | 1.5 | 2853 | 1155 |
| F609zz | Forseglet flensede kulelager | 9 | 24 | 7 | 27 | 1.5 | 2853 | 1155 |
Om oss Yinin
Bransjeapplikasjoner
Nyheter og informasjon
Kontakt oss
Teknisk rådgivning
Tilpassede løsninger
Kontinuerlig forskning og utvikling
Kvalitetskontroll
Teknisk støtte og opplæring
Rask respons
Hvis du har teknisk rådgivning eller tilbakemeldinger, vil vi gi deg det mest profesjonelle svaret så snart som mulig!