32000-serien avsmalnende rullelager er en høy ytelse som bærer mye brukt i industrielle og mekaniske felt. Det brukes hovedsakelig til å bære radiale og aksiale belastninger. Designfunksjonen med denne lageret er at kontaktlinjen mellom den avsmalnede rullen og de indre og ytre ringene er i punktkontakt, som effektivt kan fordele belastningen, redusere friksjonen og forlenge levetiden. 32000 serielager er vanligvis laget av stål med høy styrke og har utmerket slitemotstand og høy temperaturmotstand, noe som gjør dem egnet for bruk i tøffe arbeidsmiljøer. Det er mye brukt i biler, jernbaner, vindkraft, gruvemaskiner og andre felt, spesielt i situasjoner der det kreves store aksiale belastninger. Denne serien med lagre krever riktig justering og smøring under installasjonen for å sikre optimal driftsytelse og stabilitet.
Produktparametere
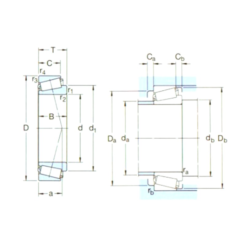
| Betegnelse | Hoveddimensjoner (MM) | Grunnleggende belenstningsvurderinger (KN) | PU | Hastighetsvurderinger (RPM) | Vekt (kg) | ISO335 | Dimensjoner (mm) | Abutment and Filet Dimensions (MM) | Verdi | ||||||||||||||||||||
|---|---|---|---|---|---|---|---|---|---|---|---|---|---|---|---|---|---|---|---|---|---|---|---|---|---|---|---|---|---|
| D1 | D | B | DYC (CR) | STC (Cor) | Hastighetsvurderinger | Begrensende hastighet | Dimensjoner (ABMA) | d | D1 ~ | B | C | R1,2 (min) | R3,4 (min) | a | da (maks) | DB (min) | Da (min) | Da (maks) | DB (min) | CA (min) | CB (min) | RA (maks) | RB (maks) | e | Y | Yo | |||
| 32004X/Q. | 20 | 42 | 15 | 28 | 27 | 2,7 | 13000 | 16000 | 0,097 | 3CC | 20 | 31,1 | 15 | 12 | 0,6 | 0,6 | 10 | 25 | 25 | 36 | 37 | 39 | 2 | 3 | 0,6 | 0,6 | 0,37 | 1,6 | 0,9 |
| 320/22x | 22 | 44 | 15 | 25,1 | 29 | 2,85 | 11000 | 15000 | 0,10 | 3CC | 22 | 33,3 | 15 | 11,5 | 0,6 | 0,6 | 11 | 27 | 27 | 38 | 39 | 41 | 3 | 3,5 | 0,6 | 0,6 | 0,40 | 1,5 | 0,8 |
| 32005X/Q. | 25 | 47 | 15 | 31 | 32,5 | 3,25 | 12000 | 14000 | 0,11 | 4CC | 25 | 36,5 | 15 | 11,5 | 0,6 | 0,6 | 11 | 30 | 30 | 40 | 42 | 44 | 3 | 3,5 | 0,6 | 0,6 | 0,43 | 1,4 | 0,8 |
| 320/28x/q | 28 | 52 | 16 | 36,5 | 38 | 4 | 10000 | 13000 | 0,15 | 4CC | 28 | 40,3 | 16 | 12 | 1 | 1 | 12 | 34 | 34 | 45 | 46 | 49 | 3 | 4 | 1 | 1 | 0,43 | 1,4 | 0,8 |
| 32006X/Q. | 30 | 55 | 17 | 40,5 | 44 | 4,55 | 10000 | 12000 | 0,17 | 4CC | 30 | 43 | 17 | 13 | 1 | 1 | 13 | 35 | 36 | 48 | 49 | 52 | 3 | 4 | 1 | 1 | 0,43 | 1,4 | 0,8 |
| 320/32x/q | 32 | 58 | 17 | 42,5 | 46,5 | 4,8 | 9000 | 11000 | 0,19 | 4CC | 32 | 45,6 | 17 | 13 | 1 | 1 | 14 | 38 | 38 | 50 | 52 | 55 | 3 | 4 | 1 | 1 | 0,46 | 1,3 | 0,7 |
| 32008/38x/Q. | 38 | 68 | 19 | 60 | 71 | 7,65 | 7500 | 10000 | 0,28 | - | 38 | 54,2 | 19 | 14,5 | 1 | 1 | 15 | 46 | 44 | 60 | 62 | 65 | 4 | 4,5 | 1 | 1 | 0,37 | 1,6 | 0,9 |
| 32008x/q | 40 | 68 | 19 | 60 | 71 | 7,65 | 7500 | 9500 | 0,27 | 3CD | 40 | 54,2 | 19 | 14,5 | 1 | 1 | 15 | 46 | 46 | 60 | 62 | 65 | 4 | 4,5 | 1 | 1 | 0,37 | 1,6 | 0,9 |
| 32008xtn9/q | 40 | 68 | 19 | 60 | 71 | 7,65 | 7500 | 9500 | 0,27 | 3CD | 40 | 54,2 | 19 | 14,5 | 1 | 1 | 15 | 46 | 46 | 60 | 62 | 65 | 4 | 4,5 | 1 | 1 | 0,37 | 1,6 | 0,9 |
| 33209/q | 45 | 85 | 32 | 108 | 143 | 16,3 | 5300 | 7500 | 0,82 | 3DE | 45 | 65,2 | 32 | 25 | 1,5 | 1,5 | 22 | 52 | 52 | 72 | 78 | 81 | 5 | 7 | 1,5 | 1,5 | 0,4 | 1,5 | 0,8 |
| 32010X/Q. | 50 | 80 | 20 | 69,5 | 88 | 9,65 | 6300 | 8000 | 0,37 | 3CC | 50 | 65,6 | 20 | 15,5 | 1 | 1 | 18 | 57 | 56 | 72 | 74 | 77 | 4 | 4,5 | 1 | 1 | 0,43 | 1,4 | 0,8 |
| 32010X/QCL7CVB026 | 50 | 80 | 20 | 69,5 | 88 | 9,65 | 6300 | 8000 | 0,37 | 3CC | 50 | 65,6 | 20 | 15,5 | 3 | 1 | 18 | 57 | 62 | 72 | 74 | 77 | 4 | 4,5 | 2,5 | 1 | 0,43 | 1,4 | 0,8 |
| 32012X/QCL7C | 60 | 95 | 23 | 95 | 122 | 13,4 | 5300 | 6700 | 0,59 | 4CC | 60 | 77,8 | 23 | 17,5 | 1,5 | 1,5 | 21 | 67 | 67 | 85 | 88 | 91 | 4 | 5 | 1,5 | 1,5 | 0,43 | 1,4 | 0,8 |
| 32014X/Q. | 70 | 110 | 25 | 116 | 153 | 17,3 | 4500 | 5600 | 0,84 | 4CC | 70 | 89,8 | 25 | 19 | 1,5 | 1,5 | 23 | 78 | 77 | 98 | 103 | 105 | 5 | 6 | 1,5 | 1,5 | 0,43 | 1,4 | 0,8 |
| 32015X/Q. | 75 | 115 | 25 | 122 | 163 | 18,6 | 4300 | 5300 | 0,90 | 4CC | 75 | 95,1 | 25 | 19 | 1,5 | 1,5 | 25 | 83 | 82 | 103 | 108 | 110 | 5 | 6 | 1,5 | 1,5 | 0,46 | 1,3 | 0,7 |
| 32016X/Q. | 80 | 125 | 29 | 138 | 216 | 24,5 | 3600 | 5000 | 1,30 | 3CC | 80 | 103 | 29 | 22 | 1,5 | 1,5 | 27 | 90 | 87 | 112 | 117 | 120 | 6 | 7 | 1,5 | 1,5 | 0,43 | 1,4 | 0,8 |
| 32018X/Q. | 90 | 140 | 32 | 168 | 270 | 31 | 3200 | 4300 | 1,75 | 3CC | 90 | 115 | 32 | 24 | 2 | 1,5 | 30 | 100 | 98 | 125 | 132 | 134 | 6 | 8 | 2 | 1,5 | 0,43 | 1,4 | 0,8 |
| 32019x/Q. | 95 | 145 | 32 | 168 | 270 | 30,5 | 3200 | 4300 | 1,80 | 4CC | 95 | 120 | 32 | 24 | 2 | 1,5 | 31 | 105 | 104 | 130 | 138 | 139 | 6 | 8 | 2 | 1,5 | 0,44 | 1,35 | 0,8 |
| 32021x/q | 105 | 160 | 35 | 201 | 335 | 37,5 | 2800 | 3800 | 2,40 | 4dc | 105 | 132 | 35 | 26 | 2,5 | 2 | 34 | 116 | 116 | 143 | 150 | 154 | 6 | 9 | 2 | 2 | 0,44 | 1,35 | 0,8 |
| 32022x/q | 110 | 170 | 38 | 233 | 390 | 42,5 | 2600 | 3600 | 3,05 | 4dc | 110 | 140 | 38 | 29 | 2,5 | 2 | 36 | 123 | 121 | 152 | 160 | 163 | 7 | 9 | 2 | 2 | 0,43 | 1,4 | 0,8 |
| 32021x/q | 105 | 160 | 35 | 201 | 335 | 37,5 | 2800 | 3800 | 2,40 | 4dc | 105 | 132 | 35 | 26 | 2,5 | 2 | 34 | 116 | 116 | 143 | 150 | 154 | 6 | 9 | 2 | 2 | 0,44 | 1,35 | 0,8 |
| 32022x/q | 110 | 170 | 38 | 233 | 390 | 42,5 | 2600 | 3600 | 3,05 | 4dc | 110 | 140 | 38 | 29 | 2,5 | 2 | 36 | 123 | 121 | 152 | 160 | 163 | 7 | 9 | 2 | 2 | 0,43 | 1,4 | 0,8 |
| 32024x | 120 | 180 | 38 | 242 | 415 | 44 | 2400 | 3400 | 3,25 | 4dc | 120 | 150 | 38 | 29 | 2,5 | 2 | 39 | 132 | 131 | 161 | 170 | 173 | 7 | 9 | 2 | 2 | 0,46 | 1,3 | 0,7 |
| 32026x | 130 | 200 | 45 | 314 | 540 | 55 | 2200 | 3000 | 4,95 | 4EC | 130 | 165 | 45 | 34 | 2,5 | 2 | 42 | 144 | 142 | 178 | 190 | 192 | 7 | 11 | 2 | 2 | 0,43 | 1,4 | 0,8 |
| 32028x | 140 | 210 | 45 | 330 | 585 | 58,5 | 2200 | 2800 | 5,25 | 4dc | 140 | 175 | 45 | 34 | 2,5 | 2 | 46 | 153 | 152 | 187 | 200 | 202 | 7 | 11 | 2 | 2 | 0,46 | 1,3 | 0,7 |
| 32030x | 150 | 225 | 48 | 369 | 655 | 65,5 | 2000 | 2600 | 6,35 | 4EC | 150 | 187 | 48 | 36 | 3 | 2,5 | 49 | 164 | 164 | 200 | 213 | 216 | 8 | 12 | 2,5 | 2 | 0,46 | 1,3 | 0,7 |
| 32032x | 160 | 240 | 51 | 429 | 780 | 78 | 1800 | 2400 | 7,75 | 4EC | 160 | 200 | 51 | 38 | 3 | 2,5 | 52 | 175 | 174 | 213 | 228 | 231 | 8 | 13 | 2,5 | 2 | 0,46 | 1,3 | 0,7 |
| 32034x | 170 | 260 | 57 | 512 | 915 | 90 | 1700 | 2200 | 10,5 | 4EC | 170 | 214 | 57 | 43 | 3 | 2,5 | 56 | 188 | 184 | 230 | 246 | 249 | 10 | 14 | 2,5 | 2 | 0,44 | 1,35 | 0,8 |
| 32036x | 180 | 280 | 64 | 644 | 1160 | 110 | 1600 | 2200 | 14,5 | 3fd | 180 | 229 | 64 | 48 | 3 | 2,5 | 59 | 199 | 194 | 247 | 266 | 267 | 10 | 16 | 2,5 | 2 | 0,43 | 1,4 | 0,8 |
| 32038x | 190 | 290 | 64 | 660 | 1200 | 112 | 1500 | 2000 | 15,0 | 4fd | 190 | 240 | 64 | 48 | 3 | 2,5 | 62 | 210 | 204 | 257 | 276 | 279 | 10 | 16 | 2,5 | 2 | 0,44 | 1,35 | 0,8 |
| 32040x | 200 | 310 | 70 | 748 | 1370 | 127 | 1400 | 1900 | 19,5 | 4fd | 200 | 254 | 70 | 53 | 3 | 2,5 | 66 | 222 | 214 | 273 | 296 | 297 | 11 | 17 | 2,5 | 2 | 0,43 | 1,4 | 0,8 |
| 32044x | 220 | 340 | 76 | 897 | 1660 | 150 | 1300 | 1700 | 25,5 | 4fd | 220 | 279 | 76 | 57 | 4 | 3 | 72 | 244 | 236 | 300 | 325 | 326 | 12 | 19 | 3 | 2,5 | 0,43 | 1,4 | 0,8 |
| 32048x | 240 | 360 | 76 | 935 | 1800 | 160 | 1200 | 1600 | 27,5 | 4fd | 240 | 299 | 76 | 57 | 4 | 3 | 78 | 262 | 256 | 318 | 345 | 346 | 12 | 19 | 3 | 2,5 | 0,46 | 1,3 | 0,7 |
| 32052X | 260 | 400 | 87 | 1170 | 2200 | 190 | 1100 | 1400 | 40,0 | 4fc | 260 | 328 | 87 | 65 | 5 | 4 | 84 | 287 | 282 | 352 | 383 | 383 | 13 | 22 | 4 | 3 | 0,43 | 1,4 | 0,8 |
| 32056X | 280 | 420 | 87 | 1210 | 2360 | 200 | 1000 | 1300 | 40,5 | 4fc | 280 | 348 | 87 | 65 | 5 | 4 | 89 | 305 | 302 | 370 | 400 | 402 | 14 | 22 | 4 | 3 | 0,46 | 1,3 | 0,7 |
| 32060x | 300 | 460 | 100 | 1540 | 3000 | 250 | 900 | 1200 | 58,0 | 4GD | 300 | 377 | 100 | 74 | 5 | 4 | 97 | 330 | 322 | 404 | 440 | 439 | 15 | 26 | 4 | 3 | 0,43 | 1,4 | 0,8 |
| 32064x | 320 | 480 | 100 | 1540 | 3100 | 255 | 850 | 1100 | 64,0 | 4GD | 320 | 399 | 100 | 74 | 5 | 4 | 103 | 350 | 342 | 424 | 460 | 461 | 15 | 26 | 4 | 3 | 0,46 | 1,3 | 0,7 |
Om oss Yinin
Bransjeapplikasjoner
Nyheter og informasjon
Kontakt oss
Teknisk rådgivning
Tilpassede løsninger
Kontinuerlig forskning og utvikling
Kvalitetskontroll
Teknisk støtte og opplæring
Rask respons
Hvis du har teknisk rådgivning eller tilbakemeldinger, vil vi gi deg det mest profesjonelle svaret så snart som mulig!