33000 serier Avsmalnet rullelager
33000 serier Avsmalnet rullelager
33000 serier Avsmalnet rullelager

33000 serier

De 33000 serier avsmalnende rullelager er en høy ytelse rullende lager mye brukt til å bære tunge belastninger og aksiale belastninger. Denne serien med lagre vedtar en avsmalnet rullesign, som effektivt kan dele belastninger fra flere retninger og gi høyere stivhet og stabilitet. Den avsmalnede utformingen av de indre og ytre ringene øker kontaktområdet, og forbedrer dermed den bærende kapasiteten og slitestyrken. Denne typen peiling brukes ofte i industrielle maskiner, biler, jernbaner, luftfart og andre felt, og er spesielt egnet for applikasjoner som krever høy presisjon og effektivitet. 33000 serielager har også god temperaturmotstand og korrosjonsmotstand, og kan fungere i tøffe miljøer i lang tid. Gjennom rimelig smøring og vedlikehold kan levetiden for levetiden utvides og vedlikeholdskostnadene kan reduseres. De forskjellige spesifikasjonene i denne serien med lagre kan imøtekomme behovene til forskjellige kunder og er mye brukt i forskjellige typer roterende utstyr.

Send forespørsel

33000 serier avsmalnende rullelager - Høy presisjon og lang levetid Industrial

33000 serier avsmalnende rullelager er en høypresisjon, høy belastning kapasitetsrulling som er egnet for en rekke industrielle og mekaniske applikasjoner. Denne serien med lagre vedtar avsmalnende rulle og avsmalnende Raceway -design, kan bære radielle og aksiale belastninger samtidig, og har god stabilitet og holdbarhet.


Produktfordeler

Høy belastningskapasitet
33000-serien avsmalnende rullelager vedtar en avsmalnet rullestruktur, som kan bære store radielle og aksiale belastninger samtidig og er egnet for tunge forhold.

High Precision & Long Life
Denne serien med lagre vedtar presisjonsproduksjonsteknologi for å sikre høy presisjon og lang levetid. Overflateherdingbehandlingen og optimalisert stressfordelingsdesign forbedrer utmattelsens levetid og pålitelighet av lageret.

Flere modeller og spesifikasjoner
33000 -serielagrene er tilgjengelige i en rekke modeller og størrelser for å imøtekomme behovene til forskjellige applikasjonsscenarier. For eksempel inkluderer 33000 -serien 33000, 33001, 33002 og andre modeller, egnet for forskjellige belastnings- og hastighetsforhold.

Tilpassbar tjeneste
Denne serien med lagre støtter OEM -tilpasningstjeneste, og kunder kan tilpasse i henhold til deres egne behov, inkludert størrelse, materiale, tetningstype osv.

Bredt spekter av applikasjoner
33000 serier avsmalnede rullelager er mye brukt i industrielle maskiner, biler, landbruksmaskiner, pumper, vifter, heiser, metallurgisk utstyr, gruvedrift og andre felt.

Flere tetningstyper
Denne serien med lagre gir en rekke tetningstyper, for eksempel Open, Z -type, 2Z -type, RS -type, 2RS -type, etc., for å imøtekomme forseglingsbehovene i forskjellige miljøer.

Flere materielle alternativer
Denne serien med lagre kan bruke en rekke materialer, for eksempel GCR15, lagerstål, etc., for å sikre ytelse under forskjellige arbeidsforhold.


Produktapplikasjon
Industrielle maskiner: for eksempel maskinverktøy, reduksjonsanlegg, overføringssystemer osv.
Biler: som motorer, girkasser, styringssystemer osv.
Agricultural Machinery: som høstere, traktorer, seeders, etc.
Pumper og vifter: for eksempel sentrifugalpumper, blåsere, kompressorer osv.
Heiser: for eksempel trekkmaskiner, Guide Rail Systems, etc.
Metallurgisk utstyr: som rullende fabrikker, knusere, transportører, etc.
Gruvemaskiner: som gravemaskiner, lastere, knusere osv.

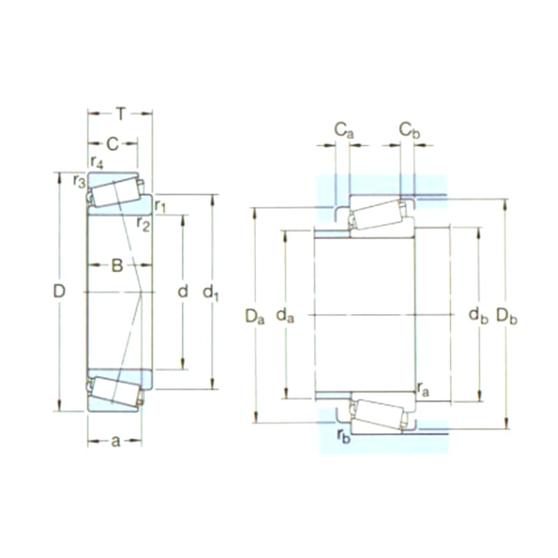
Produktparametere

Betegnelse Hoveddimensjoner (MM) Grunnleggende belenstningsvurderinger (KN) PU Hastighetsvurderinger (RPM) Vekt (kg) ISO335 Dimensjoner (mm) Abutment and Filet Dimensions (MM) Verdi
D1 D B DYC (CR) STC (Cor) Hastighetsvurderinger Begrensende hastighet Dimensjoner (ABMA) d D1 ~ B C R1,2 (min) R3,4 (min) a da (maks) DB (min) Da (min) Da (maks) DB (min) CA (min) CB (min) RA (maks) RB (maks) e Y Yo
33010/q 50 80 24 80 102 11,4 6300 8000 0,4 5 2ce 50 64,9 24 19 1 1 17 56 56 72 74 76 4 5 1 1 0,31 1,9 1,1
33011/q 55 90 27 104 137 15,3 5600 7000 0,67 2ce 55 72,9 27 21 1,5 1,5 19 63 62 81 83 86 5 6 1,5 1,5 0,31 1,9 1,1
33012/q 60 95 27 106 143 16 5300 6700 0,71 2ce 60 77,1 27 21 1,5 1,5 20 67 67 85 88 90 5 6 1,5 1,5 0,33 1,8 1
33013/q 65 100 27 110 153 17,3 5000 6300 0,78 2ce 65 82,5 27 21 1,5 1,5 21 72 72 89 93 96 5 6 1,5 1,5 0,35 1,7 0,9
33014 70 110 31 130 196 22,8 4300 5600 1,10 2ce 70 88,8 31 25,5 1,5 1,5 23 78 77 99 103 105 5 5,5 1,5 1,5 0,28 2,1 1,1
33015/q 75 115 31 134 228 26 4000 5300 1,15 2ce 75 95 31 25,5 1,5 1,5 23 84 82 104 108 110 6 5,5 1,5 1,5 0,3 2 1,1
33016/q 80 125 36 168 285 32 3600 5000 1,65 2ce 80 102 36 29,5 1,5 1,5 26 90 87 112 117 119 6 6,5 1,5 1,5 0,28 2,1 1,1
33017/q 85 130 36 183 310 34,5 3600 4800 1,75 2ce 85 107 36 29,5 1,5 1,5 26 94 92 118 122 125 6 6,5 1,5 1,5 0,3 2 1,1
33018/q 90 140 39 216 355 39 3200 4500 2,20 2ce 90 113 39 32,5 2 1,5 27 100 98 127 132 135 7 6,5 2 1,5 0,27 2,2 1,3
33019/q 95 145 39 220 375 40,5 3200 4300 2,30 2ce 95 118 39 32,5 2 1,5 28 104 104 131 138 139 7 6,5 2 1,5 0,28 2,1 1,1
33020/Q. 100 150 39 224 390 41,5 3000 4000 2,40 2ce 100 122 39 32,5 2 1,5 29 109 108 135 142 143 7 6,5 2 1,5 0,3 2 1,1
33021/q 105 160 43 246 430 45,5 2800 3800 3,05 2DE 105 131 43 34 2,5 2 31 117 116 145 150 153 7 9 2 2 0,28 2,1 1,1
33022 110 170 47 281 500 53 2600 3600 3,85 2DE 110 139 47 37 2,5 2 34 123 121 152 160 161 7 10 2 2 0,28 2,1 1,1
33024 120 180 48 292 540 56 2600 3400 4,20 2DE 120 149 48 38 2,5 2 36 132 131 160 170 171 6 10 2 2 0,3 2 1,1
33030 150 225 59 457 865 86,5 2000 2600 8,15 2ee 150 188 59 46 3 2,5 48 164 162 200 213 217 8 13 2,5 2 0,37 1,6 0,9
31330XJ2 150 320 82 781 1020 100 1400 2000 29,5 7 GB 150 234 75 50 5 4 96 181 170 251 303 300 9 32 4 3 0,83 0,72 0,4

Om oss Yinin

Shanghai Yinin Bearing and Transmission Company Etablert i 2009, med mer enn 20 års erfaring innen lagerfeltet. Vi er en kinesisk 33000 serier Avsmalnet rullelager produsent og tilbyr tilpassede 33000 serier Avsmalnet rullelager fabrikk. Siden 1999 har vi fungert som agent for kinesiske lagerprodusenter og eksportert ulike lagre. I dag har vi utviklet oss til en omfattende lagergruppe som integrerer salg og produksjon.

Bransjeapplikasjoner

Lager spiller også en veldig viktig rolle i landbruksmaskiner. De brukes til å støtte roterende d...

Bil

Lager er mye brukt i biler. De er de viktigste støttende og roterende deler av mange bevegelige d...

Brukes til støtte, høyde, vinkel, ledd og roterende deler av medisinsk utstyr.

Brukes til rotasjon og bevegelse av støtte og guide deler av automatiseringsutstyr

I bygningsstrukturer kan lagre brukes til å koble sammen forskjellige strukturelle komponenter.

I produksjonsprosessen med mat og drikke er det nødvendig med pumper for å transportere væsker og...

Lager brukes i fly- og romfartsmotorer for å støtte roterende komponenter som turbiner, vifter og...

Interne overføringshjul, sjakter, styringshjul og styringsknok for transportkjøretøy.

Nyheter og informasjon

Lær mer

2026-03-26

What are the Structural Advantages of Using an Angular ...
In high-precision mechanical engineering, the choice between integrated components and modular assemblies often determines the ultimate stability of the system. For rotational applications requiring h...

2026-03-19

Why Is Your 6000 Ball Bearing Overheating, and How Can ...
In the realm of precision rotating machinery, the 6000 ball bearing is a ubiquitous component, favored for its ability to handle both radial and axial loads in a compact 10x26x8mm footprint. However, ...

2026-03-12

Why are Food-Grade Stainless Steel Deep Groove Ball Bea...
In the high-stakes environment of food and beverage manufacturing, mechanical reliability and biological safety are inseparable. The choice of stainless steel deep groove ball bearings is a critical e...

Kontakt oss

SUBMIT

Teknisk rådgivning

  • Shanghai Yinin Bearing and Transmission Company

    Tilpassede løsninger

  • Shanghai Yinin Bearing and Transmission Company

    Kontinuerlig forskning og utvikling

  • Shanghai Yinin Bearing and Transmission Company

    Kvalitetskontroll

  • Shanghai Yinin Bearing and Transmission Company

    Teknisk støtte og opplæring

  • Shanghai Yinin Bearing and Transmission Company

    Rask respons

Hvis du har teknisk rådgivning eller tilbakemeldinger, vil vi gi deg det mest profesjonelle svaret så snart som mulig!

Kontakt oss