33100 -serien Avsmalnet rullelager
33100 -serien Avsmalnet rullelager
33100 -serien Avsmalnet rullelager

33100 -serien

33100-serien avsmalnende rullelager er en høy ytelse som bærer mye brukt i mekanisk utstyr og har utmerket bærende kapasitet og slitasje. Denne typen peiling vedtar en avsmalnet rullesign, som effektivt kan spre belastningen og tilpasse seg store radiale og aksiale krefter. De indre og ytre ringene og rullene i 33100 -serielagrene er presisjonsmaskinert for å sikre god passform og lav friksjonstap, og forlenget levetiden. I tillegg forhindrer lagringens forseglede design inntrenging av støv og urenheter, og sikrer pålitelighet i tøffe miljøer. Det brukes ofte i bil, gruvedrift, metallurgi og andre bransjer, og er spesielt egnet for arbeidsforhold med kraftig last og høy temperatur. Med riktig smøring og vedlikehold, kan 33100 serier avsmalnede rullelager gi utmerket ytelse og stabil drift, og oppfylle de høye kravene til lagre i moderne industri.

Send forespørsel

Produktparametere

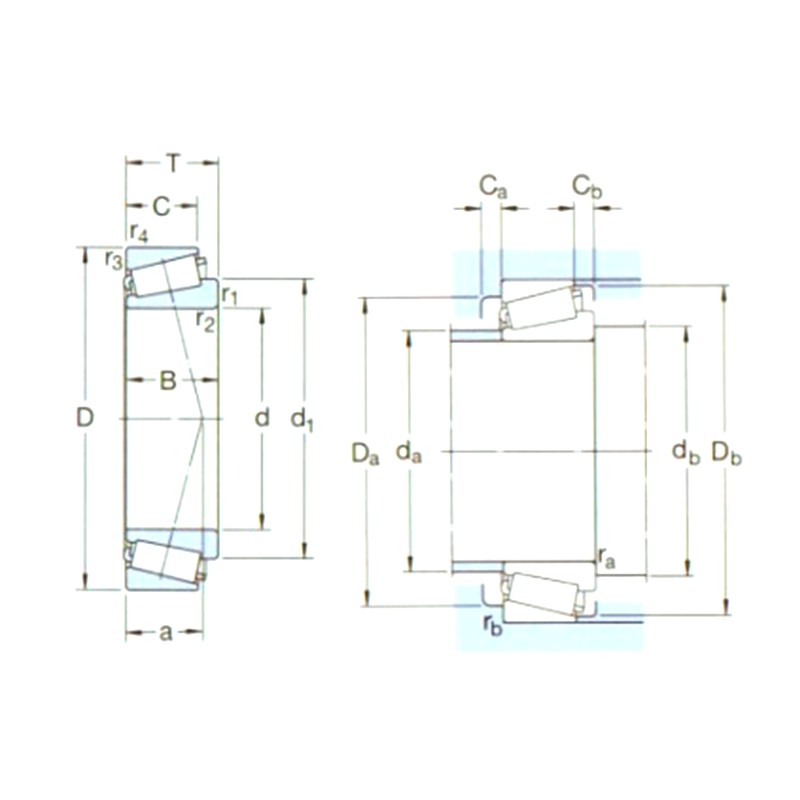
Betegnelse Hoveddimensjoner (MM) Grunnleggende belenstningsvurderinger (KN) PU Hastighetsvurderinger (RPM) Vekt (kg) ISO335 Dimensjoner (mm) Abutment and Filet Dimensions (MM) Verdi
D1 D B DYC (CR) STC (Cor) Hastighetsvurderinger Begrensende hastighet Dimensjoner (ABMA) d D1 ~ B C R1,2 (min) R3,4 (min) a da (maks) DB (min) Da (min) Da (maks) DB (min) CA (min) CB (min) RA (maks) RB (maks) e Y Yo
33108/q 40 75 26 91,5 104 11,4 7000 9000 0,51 2ce 40 57,5 26 20,5 1,5 1,5 18 47 47 65 68 71 4 5,5 1,5 1,5 0,35 1,7 0,9
33109/q 45 80 26 96,5 114 12,9 6700 8000 0,56 3ce 45 62,7 26 20,5 1,5 1,5 19 52 52 69 73 77 4 5,5 1,5 1,5 0,37 1,6 0,9
33110/q 50 85 26 100 122 13,4 6000 7500 0,59 3ce 50 67,9 26 20 1,5 1,5 20 57 57 74 78 82 4 6 1,5 1,5 0,4 1,5 0,8
33111/q 55 95 30 110 156 17,6 5000 6700 0,86 3ce 55 75,1 30 23 1,5 1,5 22 63 62 83 88 91 5 7 1,5 1,5 0,37 1,6 0,9
33112/q 60 100 30 134 170 19,6 5300 6300 0,92 3ce 60 80,4 30 23 1,5 1,5 23 67 67 88 93 96 5 7 1,5 1,5 0,4 1,5 0,8
33113/q 65 110 34 142 208 24 4300 5600 1,30 3DE 65 87,9 34 26,5 1,5 1,5 26 74 72 96 103 106 6 7,5 1,5 1,5 0,4 1,5 0,8
33114/q 70 120 37 172 250 30 4000 5300 1,70 3DE 70 94,8 37 29 2 1,5 28 80 79 104 112 115 6 8 2 1,5 0,37 1,6 0,9
33115/q 75 125 37 176 265 31,5 3800 5000 1,80 3DE 75 100 37 29 2 1,5 29 84 84 109 117 120 6 8 2 1,5 0,4 1,5 0,8
33116/q 80 130 37 179 280 32,5 3600 4800 1,90 3DE 80 105 37 29 2 1,5 30 89 89 114 122 126 6 8 2 1,5 0,43 1,4 0,8
33116TN9/Q. 80 130 37 179 280 32,5 3600 4800 1,90 3DE 80 105 37 29 2 1,5 30 89 89 114 122 126 6 8 2 1,5 0,43 1,4 0,8
33117/q 85 140 41 220 340 38 3400 4500 2,45 3DE 85 112 41 32 2,5 2 32 95 95 122 130 135 7 9 2 2 0,4 1,5 0,8
33118/q 90 150 45 251 390 43 3000 4300 3,10 3DE 90 120 45 35 2,5 2 35 101 101 130 140 144 7 10 2 2 0,4 1,5 0,8
33118TN9/Q. 90 150 45 251 390 43 3000 4300 3,10 3DE 90 120 45 35 2,5 2 35 101 101 130 140 144 7 10 2 2 0,4 1,5 0,8
33122 110 180 56 369 630 67 2600 3400 5,55 3ee 110 146 56 43 2,5 2 44 121 121 155 170 174 9 13 2 2 0,43 1,4 0,8

Om oss Yinin

Shanghai Yinin Bearing and Transmission Company Etablert i 2009, med mer enn 20 års erfaring innen lagerfeltet. Vi er en kinesisk 33100 -serien Avsmalnet rullelager produsent og tilbyr tilpassede 33100 -serien Avsmalnet rullelager fabrikk. Siden 1999 har vi fungert som agent for kinesiske lagerprodusenter og eksportert ulike lagre. I dag har vi utviklet oss til en omfattende lagergruppe som integrerer salg og produksjon.

Bransjeapplikasjoner

Lager spiller også en veldig viktig rolle i landbruksmaskiner. De brukes til å støtte roterende d...

Bil

Lager er mye brukt i biler. De er de viktigste støttende og roterende deler av mange bevegelige d...

Brukes til støtte, høyde, vinkel, ledd og roterende deler av medisinsk utstyr.

Brukes til rotasjon og bevegelse av støtte og guide deler av automatiseringsutstyr

I bygningsstrukturer kan lagre brukes til å koble sammen forskjellige strukturelle komponenter.

I produksjonsprosessen med mat og drikke er det nødvendig med pumper for å transportere væsker og...

Lager brukes i fly- og romfartsmotorer for å støtte roterende komponenter som turbiner, vifter og...

Interne overføringshjul, sjakter, styringshjul og styringsknok for transportkjøretøy.

Nyheter og informasjon

Lær mer

2026-02-26

Hva er de kritiske forskjellene mellom P6 og P5 presisj...
I høypresisjonsverdenen av Computer Numerical Control (CNC) maskinering, ytelsen til 6000 kulelager er grunnleggende for å oppnå sub-mikron nøyaktighet. Som arbeidshesten til 6000 serie ...

2026-02-19

Teknisk analyse: Hva er de viktigste forskjellene mello...
Innenfor høypresisjonsteknikk, velge riktig materiale for dype sporkulelager i rustfritt stål er en beslutning som dikterer driftslevetiden og sikkerheten til hele maskinen. Siden 199...

2026-02-12

Er et kulelager 6200 i rustfritt stål nødvendig for ind...
Innen roterende bevegelsesteknikk er 6200-serien et av de mest brukte dypsporkulelagrene på grunn av dens allsidighet og optimaliserte radielle belastningskapasitet. Men når du opererer i industrie...

Kontakt oss

SUBMIT

Teknisk rådgivning

  • Shanghai Yinin Bearing and Transmission Company

    Tilpassede løsninger

  • Shanghai Yinin Bearing and Transmission Company

    Kontinuerlig forskning og utvikling

  • Shanghai Yinin Bearing and Transmission Company

    Kvalitetskontroll

  • Shanghai Yinin Bearing and Transmission Company

    Teknisk støtte og opplæring

  • Shanghai Yinin Bearing and Transmission Company

    Rask respons

Hvis du har teknisk rådgivning eller tilbakemeldinger, vil vi gi deg det mest profesjonelle svaret så snart som mulig!

Kontakt oss