Hjem / Produkter / Rullelager / Avsmalnet rullelager / Ytre ring med flenseserie
Ytre ring med flenseserie Avsmalnet rullelager
Ytre ring med flenseserie Avsmalnet rullelager
Ytre ring med flenseserie Avsmalnet rullelager

Ytre ring med flenseserie

Serien avsmalnede rullelager med flensede ytre ringer er svært effektive rullelager designet for å tåle aksiale og radielle belastninger. Den ytre ringen er utstyrt med en flens, som effektivt kan fikses og plasseres, noe som forbedrer stabiliteten til lageret i høye belastninger og tøffe arbeidsmiljøer. Den avsmalnede rullestrukturen gjør det mulig å tåle store radiale belastninger så vel som aksiale belastninger. Det er egnet for tunge maskiner, biler, luftfart og andre felt. Kontaktvinkelutformingen av denne lageret øker belastningskapasiteten og levetiden og reduserer friksjonen og varmeproduksjonen. Med riktig smøring og vedlikehold kan avsmalnede rullelager med flens på den ytre ringen gi jevn driftsytelse og pålitelig arbeidseffektivitet, og er en uunnværlig nøkkelkomponent i moderne mekanisk utstyr.

Send forespørsel

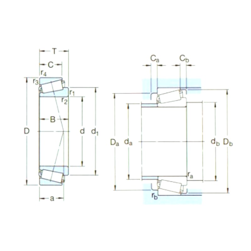
Produktparametere

Betegnelse Hoveddimensjoner (MM) Grunnleggende belenstningsvurderinger (KN) PU Hastighetsvurderinger (RPM) Vekt (kg) Dimensjoner (mm) Abutment and Filet Dimensions (MM) Verdi
D1 D B DYC (CR) STC (Cor) Hastighetsvurderinger Begrensende hastighet d D1 ~ D1 B C C1 R1,2 (min) R3,4 (min) a da (maks) DB (min) RA (maks) e Y Yo
32008XR/QVA621 40 68 19 60 71 7,65 7500 9500 0,27 40 54,2 72 19 14,5 3,5 1 1 15 46 46 1 0,37 1,6 0,9
30208rj2/q 40 80 19,75 71 68 7,65 7000 8500 0,42 40 57,5 85 18 16 4 1,5 1,5 16 49 47 1 0,37 1,6 0,9
33209r/q 45 85 32 108 143 16,3 5300 7500 0,85 45 65,2 90 32 25 5 1,5 1,5 22 52 52 1 0,4 1,5 0,8
32309BRJ2/QCL7C 45 100 38,25 156 176 20 5000 6700 1,50 45 74,8 106 36 30 7 2 1,5 30 55 54 1,5 0,54 1,1 0,6
32311BRJ2/QCL7C 55 120 45,5 216 260 30 4300 5600 2,50 55 90,5 127 43 35 8 2,5 2 36 67 65 2 0,54 1,1 0,6
33113r/q 65 110 34 142 208 24 4300 5600 1,30 65 87,9 116 34 26,5 5,5 1,5 1,5 26 74 72 1 0,4 1,5 0,8
30313rj2 65 140 36 194 228 27,5 3600 4800 2,40 65 98,3 147 33 28 6 3 2,5 28 84 77 2 0,35 1,7 0,9
30313rj2 65 140 36 194 228 27,5 3600 4800 2,40 65 98,3 147 33 28 6 3 2,5 28 84 77 2 0,35 1,7 0,9

Om oss Yinin

Shanghai Yinin Bearing and Transmission Company Etablert i 2009, med mer enn 20 års erfaring innen lagerfeltet. Vi er en kinesisk Ytre ring med flenseserie Avsmalnet rullelager produsent og tilbyr tilpassede Ytre ring med flenseserie Avsmalnet rullelager fabrikk. Siden 1999 har vi fungert som agent for kinesiske lagerprodusenter og eksportert ulike lagre. I dag har vi utviklet oss til en omfattende lagergruppe som integrerer salg og produksjon.

Bransjeapplikasjoner

Lager spiller også en veldig viktig rolle i landbruksmaskiner. De brukes til å støtte roterende d...

Bil

Lager er mye brukt i biler. De er de viktigste støttende og roterende deler av mange bevegelige d...

Brukes til støtte, høyde, vinkel, ledd og roterende deler av medisinsk utstyr.

Brukes til rotasjon og bevegelse av støtte og guide deler av automatiseringsutstyr

I bygningsstrukturer kan lagre brukes til å koble sammen forskjellige strukturelle komponenter.

I produksjonsprosessen med mat og drikke er det nødvendig med pumper for å transportere væsker og...

Lager brukes i fly- og romfartsmotorer for å støtte roterende komponenter som turbiner, vifter og...

Interne overføringshjul, sjakter, styringshjul og styringsknok for transportkjøretøy.

Nyheter og informasjon

Lær mer

2026-02-26

Hva er de kritiske forskjellene mellom P6 og P5 presisj...
I høypresisjonsverdenen av Computer Numerical Control (CNC) maskinering, ytelsen til 6000 kulelager er grunnleggende for å oppnå sub-mikron nøyaktighet. Som arbeidshesten til 6000 serie ...

2026-02-19

Teknisk analyse: Hva er de viktigste forskjellene mello...
Innenfor høypresisjonsteknikk, velge riktig materiale for dype sporkulelager i rustfritt stål er en beslutning som dikterer driftslevetiden og sikkerheten til hele maskinen. Siden 199...

2026-02-12

Er et kulelager 6200 i rustfritt stål nødvendig for ind...
Innen roterende bevegelsesteknikk er 6200-serien et av de mest brukte dypsporkulelagrene på grunn av dens allsidighet og optimaliserte radielle belastningskapasitet. Men når du opererer i industrie...

Kontakt oss

SUBMIT

Teknisk rådgivning

  • Shanghai Yinin Bearing and Transmission Company

    Tilpassede løsninger

  • Shanghai Yinin Bearing and Transmission Company

    Kontinuerlig forskning og utvikling

  • Shanghai Yinin Bearing and Transmission Company

    Kvalitetskontroll

  • Shanghai Yinin Bearing and Transmission Company

    Teknisk støtte og opplæring

  • Shanghai Yinin Bearing and Transmission Company

    Rask respons

Hvis du har teknisk rådgivning eller tilbakemeldinger, vil vi gi deg det mest profesjonelle svaret så snart som mulig!

Kontakt oss