Hjem / Produkter / Kulelager / Skyv kulelager / 51400 -serien
51400 -serien Skyv kulelager
51400 -serien Skyv kulelager
51400 -serien Skyv kulelager

51400 -serien

51400 -serien skyvekulelager er et lager som er spesialdesignet for å motstå skyvbelastninger. De består vanligvis av to ringer (indre og ytre) og et sett med baller som gir rullende støtte mellom de indre og ytre ringene. Denne serien med lagre har utmerket lastbærende kapasitet og slitestyrke, og er egnet for høye belastnings- og lavhastighetsapplikasjoner. 51400 Series Thrust Ball -lagre er mye brukt i bilproduksjon, luftfart og andre bransjer, og kan effektivt redusere friksjonen og forbedre driftseffektiviteten til utstyret. I tillegg er denne typen lager relativt enkel å installere og vedlikeholde, kan opprettholde god ytelse i høye temperaturer og etsende miljøer, og er en uunnværlig komponent i forskjellige typer mekanisk utstyr. Ved å velge passende modeller og spesifikasjoner, kan brukere oppfylle forskjellige applikasjonsbehov og sikre at utstyrets stabilitet og pålitelighet.

Send forespørsel

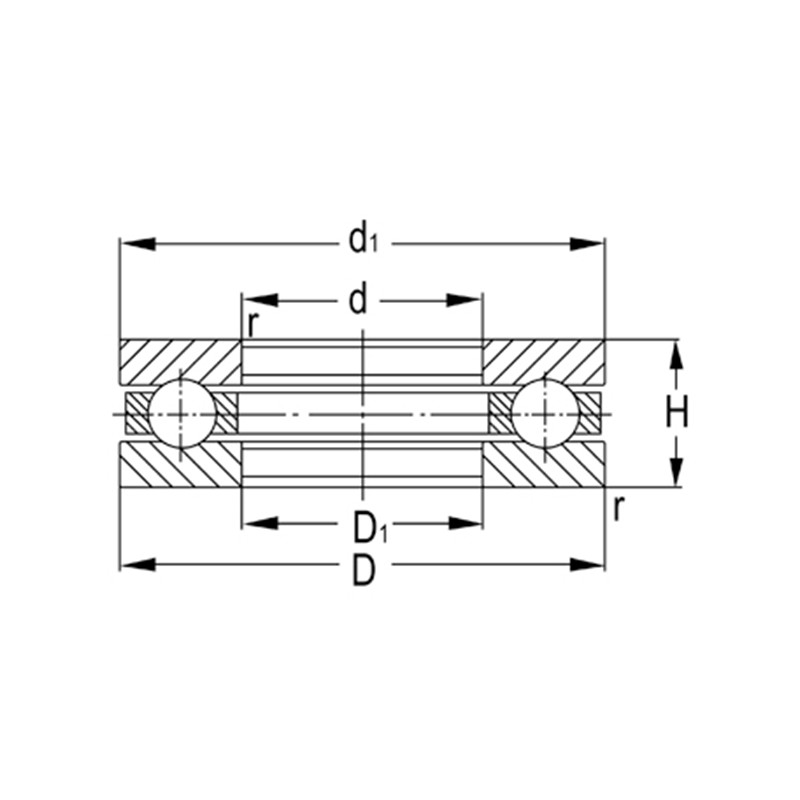
Produktparametere

Betegnelse Hoveddimensjoner (MM) Grunnleggende belastningsvurderinger (KN) Begrenset hastighet (RPM) Vekt
d D T Dynamisk (CR) Statisk (cor) Fett Olje (kg)
51405 25 60 24 55.5 89.2 2200 3400 0.31
51406 30 70 28 72.5 125 1900 3000 0.51
51407 35 80 32 86.8 155 1700 2600 0.76
51408 40 90 36 112 205 1500 2200 1.06
51409 45 100 39 140 262 1400 2000 1.41
51410 50 110 43 160 302 1300 1900 1.86
51411 55 120 48 182 355 1100 1700 2.51
51412 60 130 51 200 395 1000 1600 3.08
51413 65 140 56 215 448 900 1400 3.91
51414 70 150 60 255 560 850 1300 4.85
51415 75 160 65 268 615 800 1200 6.08
51416 80 170 68 292 692 750 1100 7.12
51417 85 180 72 318 782 700 1000 8.28

Om oss Yinin

Shanghai Yinin Bearing and Transmission Company Etablert i 2009, med mer enn 20 års erfaring innen lagerfeltet. Vi er en kinesisk 51400 -serien Skyv kulelager produsent og tilbyr tilpassede 51400 -serien Skyv kulelager fabrikk. Siden 1999 har vi fungert som agent for kinesiske lagerprodusenter og eksportert ulike lagre. I dag har vi utviklet oss til en omfattende lagergruppe som integrerer salg og produksjon.

Bransjeapplikasjoner

Lager spiller også en veldig viktig rolle i landbruksmaskiner. De brukes til å støtte roterende d...

Bil

Lager er mye brukt i biler. De er de viktigste støttende og roterende deler av mange bevegelige d...

Brukes til støtte, høyde, vinkel, ledd og roterende deler av medisinsk utstyr.

Brukes til rotasjon og bevegelse av støtte og guide deler av automatiseringsutstyr

I bygningsstrukturer kan lagre brukes til å koble sammen forskjellige strukturelle komponenter.

I produksjonsprosessen med mat og drikke er det nødvendig med pumper for å transportere væsker og...

Lager brukes i fly- og romfartsmotorer for å støtte roterende komponenter som turbiner, vifter og...

Interne overføringshjul, sjakter, styringshjul og styringsknok for transportkjøretøy.

Nyheter og informasjon

Lær mer

2026-02-26

Hva er de kritiske forskjellene mellom P6 og P5 presisj...
I høypresisjonsverdenen av Computer Numerical Control (CNC) maskinering, ytelsen til 6000 kulelager er grunnleggende for å oppnå sub-mikron nøyaktighet. Som arbeidshesten til 6000 serie ...

2026-02-19

Teknisk analyse: Hva er de viktigste forskjellene mello...
Innenfor høypresisjonsteknikk, velge riktig materiale for dype sporkulelager i rustfritt stål er en beslutning som dikterer driftslevetiden og sikkerheten til hele maskinen. Siden 199...

2026-02-12

Er et kulelager 6200 i rustfritt stål nødvendig for ind...
Innen roterende bevegelsesteknikk er 6200-serien et av de mest brukte dypsporkulelagrene på grunn av dens allsidighet og optimaliserte radielle belastningskapasitet. Men når du opererer i industrie...

Kontakt oss

SUBMIT

Teknisk rådgivning

  • Shanghai Yinin Bearing and Transmission Company

    Tilpassede løsninger

  • Shanghai Yinin Bearing and Transmission Company

    Kontinuerlig forskning og utvikling

  • Shanghai Yinin Bearing and Transmission Company

    Kvalitetskontroll

  • Shanghai Yinin Bearing and Transmission Company

    Teknisk støtte og opplæring

  • Shanghai Yinin Bearing and Transmission Company

    Rask respons

Hvis du har teknisk rådgivning eller tilbakemeldinger, vil vi gi deg det mest profesjonelle svaret så snart som mulig!

Kontakt oss