SG -serien Spor rullelager
SG -serien Spor rullelager
SG -serien Spor rullelager

SG -serien

SG Series Orbital Roller Bearing er et høyytelsesbærende produkt som er spesielt designet for spor- og guidesystemer. De bruker avanserte produksjonsprosesser og materialer av høy kvalitet for å sikre stabilitet og holdbarhet under ekstreme forhold. Denne lageret har utmerket lastbærende kapasitet og slitestyrke og er egnet for tunge og høyhastighetsapplikasjoner som jernbaner, byggemaskiner og transportutstyr. Designfunksjoner i SG -serien inkluderer optimalisert rullende element og indre og ytre ringformer for å redusere friksjon og forbedre effektiviteten. I tillegg fungerer disse lagrene også godt når det gjelder tetning og støvmotstand, og forlenger levetiden effektivt. Enten i tøffe miljøer eller komplekse driftsforhold, kan SG -serie orbital rullelager gi pålitelig ytelse og sikre sikker drift av utstyr.

Send forespørsel

SG Series Track Roller Bearings-High-Load, Long-Life Industrial Solutions

SG Series Track Roller Bearings er tunge rullelager designet for tøffe industrilommer, egnet for belastninger med høy påvirkning, kontinuerlig drift og ekstreme temperaturforhold. De er laget av høykvalitets stål- og presisjonsproduksjonsprosesser, og sikrer lav friksjon, høy stivhet og ultra-lang levetid, noe som gjør dem ideelle for konstruksjonsmaskiner, automatiseringsutstyr og jernbanesystemer.

Utmerket holdbarhet
Laget av vakuumdegassert lagerstål (SUJ2), med en hardhet på HRC 60-64, økes slitemotstanden med 50%.
Overflatefosfasjonsbehandling, rustesikker ytelse oppfyller ISO-standarder, egnet for tøffe miljøer som fuktighet og støv.

Høy belastningskapasitet
Dynamisk belastningsvurdering (C) når XX KN, statisk belastning (C0) når XX KN (fyll ut i henhold til faktiske data), og støtter radielle og aksiale kombinerte krefter.
Styrket ytre ringdesign, påvirkningsmotstanden er 30% bedre enn lignende produkter.

Lavt vedlikeholdsdesign
Forhåndsbestemt tetningsstruktur (valgfritt LLB-tetning eller metallstøvdekke), smør levetiden opp til 10.000 timer.
Modulær design støtter rask erstatning og reduserer driftsstans.

Presis drift
Toleransekvalitet opp til ISO P6, driftsvibrasjonsverdi er lavere enn industristandarden, egnet for høye presisjonsveiledningsanlegg.

Hvorfor velge vår SG -serie?
Tilpasset tjeneste: Støtt ikke-standardstørrelse, spesiell belegg (for eksempel nikkelplatering) og tilpasning av smøremiddel.
Global verifisering: Produkter eksporteres til 30 land.

Applikasjonsscenarier
Industrielle maskiner: utskriftsmaskiner, papirmaskiner, automatiseringsmaskineri, tekstilmaskiner, salgsautomater, trebearbeidingsmaskiner, emballasjemaskiner
Elektronisk utstyr: Robotarmer, måleutstyr, X-Y-plattformer, medisinsk utstyr, Fabrikkautomatiseringsutstyr
Rotarmaskiner: Metallvarmebehandlingsreaktorer, bremsesystemer osv.
Luftfartsindustri: Flyrklaffbremser, setebremser, missiler, flyplassutstyr, etc.
Andre: kringkastingsantennbremser, dør- og vindusstyring, medisinsk sengekontroll, parkeringsanlegg, maskinverktøydører, laboratorieautomatisering osv.

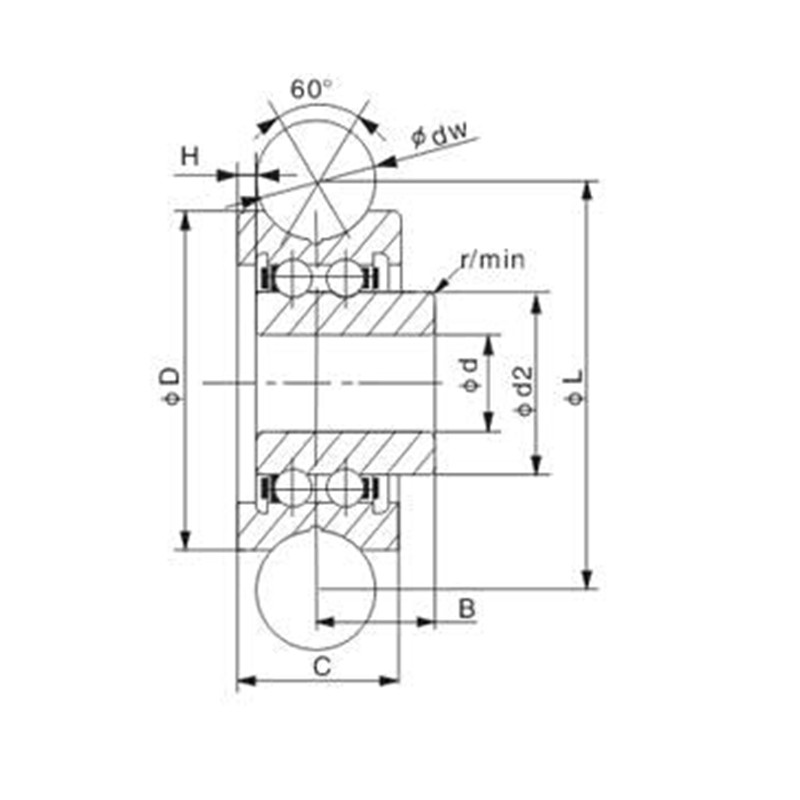
Produktparametere

Type Dimensjoner (MM) Last (KN) Vekt
dw d D C B L D2 H CW Ku (Kg)
SG15 6 5 17 8 5.75 20.46 8.6 1 1.27 0.82 8
SG15-10 10 5 17 8 5.75 25.5 8.6 1 1.27 0.82 9
SG20 8 6 24 11 7.25 28.62 11.1 1.2 3.4 1.7 25
SG25 10 8 30 14 8.5 35.77 13 1.5 3.67 2.28 49
SG35 12 12 42 19 12.5 48.93 18 1.5 8.5 5.1 136
SG15N 6 5 17 8 5.75 20.46 8.6 0.5 1.27 0.82 8
SG20N 8 6 24 11 7.25 28.62 11.1 0.7 3.4 1.7 25
SG25N 10 8 30 14 8.5 35.77 13 1 3.67 2.28 49
SG35N 12 12 42 19 12.5 48.93 18 1 8.5 5.1 136

Om oss Yinin

Shanghai Yinin Bearing and Transmission Company Etablert i 2009, med mer enn 20 års erfaring innen lagerfeltet. Vi er en kinesisk SG -serien Spor rullelager produsent og tilbyr tilpassede SG -serien Spor rullelager fabrikk. Siden 1999 har vi fungert som agent for kinesiske lagerprodusenter og eksportert ulike lagre. I dag har vi utviklet oss til en omfattende lagergruppe som integrerer salg og produksjon.

Bransjeapplikasjoner

Lager spiller også en veldig viktig rolle i landbruksmaskiner. De brukes til å støtte roterende d...

Bil

Lager er mye brukt i biler. De er de viktigste støttende og roterende deler av mange bevegelige d...

Brukes til støtte, høyde, vinkel, ledd og roterende deler av medisinsk utstyr.

Brukes til rotasjon og bevegelse av støtte og guide deler av automatiseringsutstyr

I bygningsstrukturer kan lagre brukes til å koble sammen forskjellige strukturelle komponenter.

I produksjonsprosessen med mat og drikke er det nødvendig med pumper for å transportere væsker og...

Lager brukes i fly- og romfartsmotorer for å støtte roterende komponenter som turbiner, vifter og...

Interne overføringshjul, sjakter, styringshjul og styringsknok for transportkjøretøy.

Nyheter og informasjon

Lær mer

2026-02-26

Hva er de kritiske forskjellene mellom P6 og P5 presisj...
I høypresisjonsverdenen av Computer Numerical Control (CNC) maskinering, ytelsen til 6000 kulelager er grunnleggende for å oppnå sub-mikron nøyaktighet. Som arbeidshesten til 6000 serie ...

2026-02-19

Teknisk analyse: Hva er de viktigste forskjellene mello...
Innenfor høypresisjonsteknikk, velge riktig materiale for dype sporkulelager i rustfritt stål er en beslutning som dikterer driftslevetiden og sikkerheten til hele maskinen. Siden 199...

2026-02-12

Er et kulelager 6200 i rustfritt stål nødvendig for ind...
Innen roterende bevegelsesteknikk er 6200-serien et av de mest brukte dypsporkulelagrene på grunn av dens allsidighet og optimaliserte radielle belastningskapasitet. Men når du opererer i industrie...

Kontakt oss

SUBMIT

Teknisk rådgivning

  • Shanghai Yinin Bearing and Transmission Company

    Tilpassede løsninger

  • Shanghai Yinin Bearing and Transmission Company

    Kontinuerlig forskning og utvikling

  • Shanghai Yinin Bearing and Transmission Company

    Kvalitetskontroll

  • Shanghai Yinin Bearing and Transmission Company

    Teknisk støtte og opplæring

  • Shanghai Yinin Bearing and Transmission Company

    Rask respons

Hvis du har teknisk rådgivning eller tilbakemeldinger, vil vi gi deg det mest profesjonelle svaret så snart som mulig!

Kontakt oss